Générateur HF 3MHz à 30MHz
Ce projet est né de mes nombreux échanges avec Michel F6FEO, pendant la fabrication du VEXIN, de la nécessité d’avoir un appareil de mesure simple répondant exactement au besoin le l’OM qui construit sa station. Voici en photo ci-contre, l’appareil réalisé par F6FEO. Je décris dans la suite de l’article la réalisation de ma version dont la partie électronique ne diffère que par les références de quelques composants pour raison de disponibilité.
1. Expression des besoins
L’une des étapes importantes de la réalisation d’un TRX est la conception des filtres. De la mesure de leurs caractéristiques, bande passante, réjection, atténuation, dépend le fonctionnement optimal de l’appareil. De même, la mesure du gain et de la linéarité de la chaîne d’émission driver et PA.
Voici en résumé quelques utilisations possibles de cet appareil :
- déterminer les caractéristiques Fp et Fs des quartz,
- Tester un filtre à quartz , tracer les caractéristiques des filtres passe-bande, passe-bas d’un transceiver décamétrique,
- Mesurer le gain et la linéarité de la chaîne d’ émission driver et PA,
- Analyser les antennes décamétriques à l’ aide d’ un pont de mesures.
2. Cahier des charges.
Notre générateur sera composé de 2 oscillateurs LC de type Hartley, l’un pour la bande de 3 à 9MHz (<10MHz), l’autre pour la bande 10 à 30MHz, suivi d’ un amplificateur feedback et d’un atténuateur calibré.
Amplificateur feedback: environ 10 dBm sous 50 Ohms
Atténuateur calibré : -10 db à -50 dB au pas de -10 dB
Affichage numérique interne ou externe de la fréquence de sortie.
3. Description de l’appareil
F6FEO, a retenu un montage de W7ZOI qui a servi de base au projet. En figure 1 ci-contre, le schéma fonctionnel réalisé avec Inkscape disponible ici. L’appareil se compose de 4 modules :
- le générateur HF,
- l’atténuateur sélectif ,
- le fréquencemètre (optionnel peut être externe),
- l’alimentation linéaire régulée.
4. Le générateur HF
En figure 2 ci-dessous le schéma original de F6FEO. Deux VFO à JFET J310, l’un pour la bande 3MHz à 9MHz, l’autre pour la bande 10MHz à 30MHz génèrent le signal. Chaque VFO est muni d’un RIT à varicap qui permet d’affiner le réglage de la fréquence et d’un filtre pour obtenir une bonne pureté du signal. Le choix de l’une ou l’autre bande se fait par commutation de l’alimentation et liaison par diode PIN à l’étage amplificateur suivant.
J’ai réalisé la bobine L1 du 1er VFO sur un mandrin LIPA de 8mm à noyau de fer réglable de récupération. Les 3 tours de couplage sur L1 prévus à l’origine sur le schéma me donnaient un signal déformé ont été ramenés finalement à 1 seul tour pour obtenir un signal correct.
La réalisation de la bobine L2 du 2nd VFO comme indiqué sur le schéma ne m’a pas permis d’obtenir une oscillation stable. J’ai obtenu un résultat correct en bobinant 15 tours de fil avec une prise à 4 tours sur un tore à poudre de fer T50-6. Un seul tour de couplage est nécessaire. Le dosage du couplage sur chaque oscillateur doit être soigné et ajusté empiriquement pour obtenir sur les 2 bandes le même niveau de tension.
Le modèle LTSPICE du 1er VFO, figure 3 montre la forme des signaux en divers point du circuit. Idem la figure 4 pour le 2nd VFO.
Le fichier de simulation LTSPICE est disponible ici.
5. L’atténuateur sélectif.
En figure 5 ci-dessous le schéma. Il comprend en série 1 atténuateur -10dB et 2 atténuateurs -20dB. Chaque atténuateur peut être shunté par un relais DPDT au moyen d’un commutateur rotatif 1 circuit 6 positions pour obtenir 0dB, -10dB, -20dB, -30dB, -40dB -50dB.
Pour les amateurs de simulation LTSPICE, j’ai réalisé un modèle de commutateur rotatif à partir du modèle fourni dans la documentation LTSPICE, voir encadré en bas de la figure 5. J’en explique le principe en quelques mots. La source de tension V2 génère une rampe avec la fonction Piecewise Linear. A chaque instant t la valeur de cette tension est transmise au sous-circuit rty_switch5 par la directive X5p rot1 51 52 53 54 55 rty_switch5 BRKF=0.01 dans laquelle
rot1= tension de la rampe à l’instant t,
51 à 55 : désignent les 5 plots du commutateur de-10dB à -50dB,
BRKF= espace de temps entre chaque transition.
Le sous-circuit en fonction de rot1 calcule la tension de chaque plot 51 à 55 = 12V ou 0V. Les plots commandent les diodes qui commandent les relais. Le chronogramme de la figure 5 montre les tensions obtenues en différents points du circuit avec une sinusoïde de 1V crête à 10MHz en entrée.
Le fichier de simulation LTSPICE est disponible ici.
6. Le fréquencemètre
Michel a opté pour un module acheté sur Ebay. J’avais 2 possibilités, soit construire une version de mon appareil décrite ici soit utiliser sa version externe décrite ici. J’ai préféré ce dernier choix.
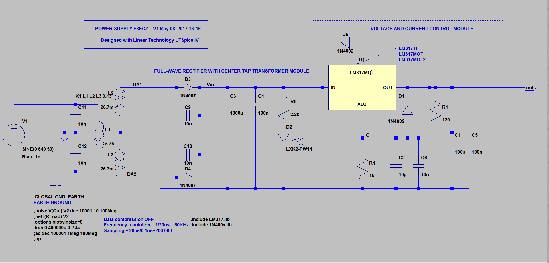
7. L’alimentation linéaire régulée
Elle fournit 12V sous 500mA. Elle est construite autour d’un LM317 programmé pour obtenir 12V, schéma figure 6 ci-dessous. En cas d’utilisation d’un fréquencemètre interne prévoir la source de tension supplémentaire adaptée.
Le fichier de simulation LTSPICE est disponible ici.
8. Réalisation
Le générateur et l’atténuateur sont réalisés sur deux plaques époxy cuivrées double face d’environ 6,5×9,5 cm. L’alimentation sur une plaque époxy cuivrée simple face de 7×10,5cm. Les circuits sont réalisables entièrement à la main sans matériel particulier.
J’ai utilisé pour sa réalisation quelques feutres indélébiles de différentes pointes, un petit foret de 1 mm, une petite fraise pour évaser les trous, une perceuse à colonne, une boîte plastique provenant d’un emballage destiné à la poubelle pour le bain de perchlorure.
J’ai dessiné les circuits à main levée sur une page de cahier quadrillée 5x5mm. J’ai reporté le dessin obtenu sur une feuille de papier calque pour en obtenir le tracé miroir. Ce tracé a été ensuite reporté sur le cuivre à l’aide d’un papier carbone. Toutes les faces ont été étamées à chaud avec de la soudure.
9. Mesures
Après un temps de chauffage de quelques minutes le signal affiché sur le fréquencemètre reste stable. L’examen à l’oscilloscope du signal de sortie sur une résistance de 50 Ohms montre une sinusoïde parfaite figure 11 ci-dessous. La mesure de la la tension de sortie du 1er générateur sur une résistance de 50 Ohms donne environ 2V crête constant sur toute la bande de 3MHz à 9MHz. Le graphe de la figure 12 sur la bande 10MHz à 30MHz montre une tension crête de sortie quasi constante de 2V jusque 24MHz, cette tension diminue lentement à 1,3V à 30MHz.
Le graphe tracé avec Graph est disponible ici.
10. Montage
Le boîtier de base provient d’une alimentation de PC HS. La face avant a été découpée dans de l’alu de 2mm. Le circuit générateur est placé au dessus de l’atténuateur.
Index des articles de la catégorie labo-de-l-om














Bonsoir à vous,
bravo pour votre réalisation. Je suis SWL et ne compte pas passer la licence, l’écoute sur des appareils home made me suffit amplement, ainsi que l’expérimentation. Je vois …..enfin une réalisation française sur un site radioamateur, car dans 95% des articles, on peut voir….la suite sur le site anglais de untel…!
La plupart des OM français décrivant leur réalisation montrent une belle photo de leur appareil et éventuellement une vidéo sur Youtube, mais les schémas et où trouver le matos, que nenni ! Je ne sais pas si c’est une spécificité purement tricolore, mais les anglo-saxons sont plus partageurs.
Je tenais à saluer votre initiative.
Merci pour le monde des DIY.
73
Philippe