Transceiver CW 20 m – VFO – Partie 1
Il existe sur le net de nombreux exemples de VFO. La réalisation de ce VFO, des plus classiques, m’a demandé cependant, beaucoup d’essais et mises au point. Je commence par en fixer le cahier des charges:
- oscillateur Clapp,
- variation du circuit d’accord par diode varicap (varactor)
- plage de fonctionnement de 3,760MHz à 4,110MHz, pour couvrir la bande des 14 MHz avec une fréquence intermédiaire de 10,240 MHz,
- amplificateur délivrant 15 dBm sur 50 ohms, pour alimenter un mélangeur à diodes,
- filtre passe bas pour éliminer les harmoniques,
- amplificateur destiné à alimenter mon fréquencemètre dans un premier temps, puis, dans le futur, un micro contrôleur intégré au transceiver.
Qui se traduit sous la forme du schéma fonctionnel suivant:

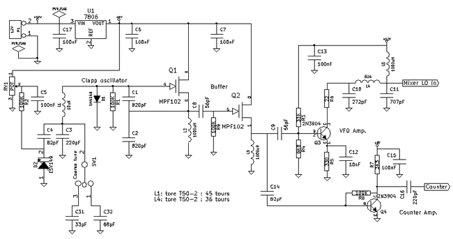
Ci-dessous le schéma complet du circuit. Chaque partie du circuit est décrite ensuite.
Télécharger les fichiers Kicad du schéma .
L’oscillateur
J’ai opté pour l’oscillateur Clapp, connu pour sa stabilité et aussi pour la facilité de fabrication de la bobine sans prise intermédiaire. Facilité apparente toutefois, la mise au point de l’oscillateur m’a permis de vérifier la loi de Murphy étendue aux oscillateurs: « un amplificateur oscille, un oscillateur n’oscille pas » et de connaître les limites de la simulation. J’ai construit de superbes oscillateurs qui, en simulation, fonctionnaient parfaitement avec toutes les combinaisons LC. Satisfait du montage virtuel, je prenais avec enthousiasme le fer à souder pour le monter. Je me hâtai de brancher l’oscilloscope. Hélas! l’écran restait désespérément vide. Il me fallait remettre tout à plat. Après maintes recherches sur le net, j’ai trouvé une excellente synthèse sur le sujet réalisée par Olivier ERNST F5LVG intitulée « STABILITE DES OSCILLATEURS« .
Pour obtenir un oscillateur stable qui oscille, il faut que la capacité d’accord soit supérieure à Ce et inférieure à Cmax/2.
(1) Ce pF = Fo * 100
(2) Cmax pF = 6000 / Fo
(3) Cmax/2 = 3000 / Fo
Calculs:
(4) Fo = limite supérieure de la bande = 4,11 MHz
(5) Ce = 4,11 * 100 = 411 pF
(6) Cmax/2 = 3000 / 4,11 = 730 pF
(7) Résultat: capacité d’accord pF = ] 411 ; 730 [
Cas de l’oscillateur Clapp figure 1.
F5LVG indique que les deux capacités du Clapp doivent, du fait de leur mise en série, avoir une valeur double de la valeur calculée par la théorie. Comme base de départ, les valeurs des 2 capacités principales peuvent être égales à Cmax/2 chacune, la valeur de la capacité en série avec la bobine étant égale au quart de cette valeur y compris le CV. Partant de ce calcul, je prends les valeurs normalisées E12 supérieures les plus proches soit C1 = C2 = 820 pF pour les deux capacités en série et Ct = 820 pF / 4 = 220 pF pour la capacité en série avec la bobine.
Calcul de L:
(8) A la résonance Lw = 1/Cw ou L = 1/Cw2
(9) w2 = (2πFo)2
(10) C = 1/[1/Ct + 1/C1 + 1/C2]
(11) Ct = 220 pF = capacité totale utilisée pour caler et balayer l’intervalle de fréquence F MHz=[3,76 ; 4,11]
(12) C = 147 pF
(13) Résultat L = 10 uH
L’excellente synthèse sur le VFO « Calcul et réalisation d’un VFO Part1 et Part2″ de F6EVT indique la valeur des réactances capacitives des capacités C1 et C2, soit Xc1 = Xc2 = 45 ohms pour le Colpitts et le Clapp. Partant de là, effectuons les calculs:
(14) Xc = 1/Cw
(15) C = 1/wXc
(16) w = 2πFo
(17) C = 861 pF = C1 = C2 (figure 1) résultat proche du calcul précédent.
Si vous êtes allergique au calcul mental ou à la règle à calcul, vous pouvez utiliser ce calculateur.
Après un passage par la simulation SPICE (voir détail ci-dessous), je suis parti sur cette base pour monter l’oscillateur. Je connecte l’oscilloscope. Eurêka! Miracle de la technique! Une superbe sinusoïde se dessine sur le graticule.
Simulation
Pour que ce travail soit réutilisable, j’ai conçu un modèle de simulation entièrement paramétrable avec LTspiceIV de LINEAR TECHNOLOGY. Voici le modèle de simulation:

Paramètres principaux à entrer:
.PARAM Fmax=4.11Meg : Fréquence haute d’oscillation Fo
.PARAM XL=258 : Réactance inductive de la bobine L à Fo (voir figure 1)
.PARAM Xca=47 : Réactance capacitive du condensateur C0 et C1 à Fo (voir figure 1)
.PARAM Xct=176 : Réactance capacitive du condensateur Ct en série avec L à Fo (voir figure 1)
.STEP PARAM Ctune 0p 100p 10p : variation du condensateur variable en // sur Ct
Notes:
(1) Paramètre Xct: puisque Ct = Ca/4 vous pouvez indiquer Xct = 4*Xca
(2) Paramètre Ctune: représente le CV ou la diode varicap.
Simulation : analyse transitoire
Elle calcule les variables du circuit en fonction du temps. Le résultat est enregistré dans le fichier .log . Au cours de cette analyse on calcule:
(1) la fréquence obtenue F MHz = [4,178; 3,729]pour chaque valeur de Ctune pF = [0; 100]
.measure tran t1 FIND time WHEN V(g)=0 TD=400u RISE=1 .measure tran t2 FIND time WHEN V(g)=0 TD=400u RISE=101 .measure tran F[Ctune] PARAM 100/(t2-t1) Measurement: c5 step ctune 1 0 2 1e-011 3 2e-011 4 3e-011 5 4e-011 6 5e-011 7 6e-011 8 7e-011 9 8e-011 10 9e-011 11 1e-010 Measurement: f[ctune] step 100/(t2-t1) 1 4.17824e+006 2 4.1188e+006 3 4.06341e+006 4 4.01193e+006 5 3.96374e+006 6 3.9187e+006 7 3.87585e+006 8 3.83618e+006 9 3.79858e+006 10 3.76268e+006 11 3.72909e+006
(2) la valeur de la capacité C1 = 824 pF
.MEASURE TRAN c1 PARAM Ca step ca 1 8.23911e-010
(3) la valeur de la capacité C2 = 824 pF
.MEASURE TRAN c2 PARAM Cb step cb 1 8.23911e-010
(4) la valeur de la capacité Ct = 220 pF
.MEASURE TRAN C4 PARAM Ct step ct 1 2.20022e-010
(5) la valeur de l’inductance L = 10 uH
.MEASURE TRAN L1 PARAM L step l 1 9.99075e-006
Télécharger les fichiers LTspice de la simulation .
Buffer
La sortie de l’oscillateur est connectée sur l’entrée à haute impédance du buffer, amplificateur à drain commun ou source follower . Sa sortie à basse impédance est reliée aux 2 amplificateurs de sortie: celui du VFO, celui du fréquencemètre.
Amplificateur du fréquencemètre
Afin de ne pas perturber le VFO, j’ai tiré une ligne séparée vers le fréquencemètre. L’amplificateur donne les impulsions nécessaires au micro contrôleur.
Réalisation de la partie 1
J’ai utilisé les composants que j’avais: des transistors JFET MPF102 pour l’oscillateur et le buffer. La tension d’alimentation de ces 3 étages fixée à 6V est régulée par le régulateur 78L06. Les condensateurs du circuit oscillant et de liaison sont du type NP0. L’inductance L = 10uH, calculée avec mini ring core calculator est faite de 45 tours de fil de Cu émaillé de 0,4 mm bobinés sur tore T50-2 acheté chez kits and parts. L’amplificateur du fréquencemètre est un BJT NPN 2N3904 en émetteur commun. Des images du circuit fini sont données dans la partie 3.
Test – Mesure
Après un temps de chauffage de 15 mn pour assurer la stabilité de l’oscillateur, le fréquencemètre branché à la sortie de l’amplificateur affiche F = 4.311 MHz , fréquence proche de celle mesurée en simulation et calculée (F = 4,178 avec Ctune = 0).
Avec la sonde 10:1 à l’échelle 50mV/cm L’oscilloscope donne Vpp = 185mV soit Vpp = 1,85 V.
Pour la mesure HF, j’ai construit une sonde HF sur le modèle N5ESE’s Ballpoint RF Probe. La sonde donne sur le multimètre Vrms = 0,738 V soit Vpp = 0,738*2*√2 = 2,09 V valeur voisine de celle lue sur l’oscilloscope.
Calcul de la capacité d’accord:
(M1) LC = 25330,3 / F2 avec L en uH, C en pF, F en MHz
(M2) C pF = 25330,3 / (F2..L) = 136 pF avec F= 4,311 MHz, L = 10 uH
(M3) capacité des 2 condensateurs de 820pF en série C1 et C2 = 820 / 2 = 410 pF
(M4) capacité Ct = (410 * 136) / (410 -136) = 204 pF.
Photo 1 signal en sortie du buffer

Références
STABILITE DES OSCILLATEURS – Olivier ERNST F5LVG
Calcul et réalisation d’un VFO Part1 et Part2 – F6EVT
VFO – CT4ER
Clapp oscillators – Ian Purdie VK2TIP
Index des articles de la catégorie Transceiver
- Transceiver CW 20 m
- Transceiver CW 20 m – Amplificateur audio
- Transceiver CW 20 m – Amplificateur audio V2
- Transceiver CW 20 m – Amplificateur de puissance RF power amplifier
- Transceiver CW 20 m – Amplificateur IF CASCODE
- Transceiver CW 20 m – Amplificateur post-mélangeur
- Transceiver CW 20 m – Atténuateur en pi
- Transceiver CW 20 m – BFO
- Transceiver CW 20 m – Commutation Rx/Tx Switching
- Transceiver CW 20 m – Détecteur de produit
- Transceiver CW 20 m – Emetteur
- Transceiver CW 20 m – Filtre à quartz – Crystal ladder filter
- Transceiver CW 20 m – Filtre de sortie du PA
- Transceiver CW 20 m – Mélangeur – Double Balanced Mixer
- Transceiver CW 20 m – Module RF Version 2
- Transceiver CW 20 m – Oscillateur à réseau déphaseur RC phase shift oscillator
- Transceiver CW 20 m – Oscillateur et Mélangeur de l’émetteur
- Transceiver CW 20 m – PA Driver
- Transceiver CW 20 m – Récepteur – Amplificateur RF
- Transceiver CW 20 m – Récepteur – Filtre passe bande 14 MHz
- Transceiver CW 20 m – VFO – Partie 1
- Transceiver CW 20 m – VFO – Partie 2
- Transceiver CW 20 m – VFO – Partie 3
- Transceiver CW 20 m – VFO – Partie 4
- Transceiver CW 20 m – VFO V3
- Transceiver CW 20 m – VFO Version 2 – Etalement de la bande



[...] Récepteur – Filtre passe bande 14 MHz Transceiver CW 20 m – Récepteur – Amplificateur RF Transceiver CW 20 m – VFO – Partie 1 Transceiver CW 20 m – VFO – Partie 2 Transceiver CW 20 m – VFO – Partie 3 Transceiver CW [...]
[...] Récepteur – Filtre passe bande 14 MHz Transceiver CW 20 m – Récepteur – Amplificateur RF Transceiver CW 20 m – VFO – Partie 1 Transceiver CW 20 m – VFO – Partie 2 Transceiver CW 20 m – VFO – Partie 3 Transceiver CW [...]
[...] est relié à celui-ci par un simple fil très court. Le mélangeur est relié à la sortie du VFO par un cable coaxial 50Ω RG-174. Attention un seul côté du blindage doit être relié au plan de [...]