Michel, F6FEO, m’a transmis le schéma d’un driver qu’il utilise dans ses transceivers. W7ZOI est à l’origine du montage. Avant de reproduire ce montage, je ne résiste pas à l’envie d’en analyser le fonctionnement et de le passer au banc du simulateur LTspice.

1. Description

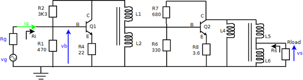
Le schéma figure 1 ci-dessous, montre le circuit. Il comprend 2 étages amplificateur. J’ai ajouté un transformateur de sortie qui abaisse l’impédance dans un rapport 1:4 pour adapter l’impédance de sortie du driver à l’entrée du PA qui est d’environ 10 Ω. Le circuit est alimenté uniquement quand l’émetteur est actionné.

Figure 1: PA Driver

Figure 1: PA Driver

Caractéristiques:

  • gain en tension 28dB à 14MHz,
  • impédance d’entrée Zin et de sortie Zout = 50 Ω.

Pour calculer l’impédance de sortie on applique la règle Zin * Zout = R7 * RE
dans laquelle:

  • RE = R8 * VT/Ic = 3,6 * 25/80 = 3,9
  • VT est la tension thermique à la température ambiante (≈ 300 K)

D’ où Zout = 680 * 3,9 / 50 = 53 Ω.

Download  Télécharger les fichiers Kicad.

2. 1er étage

Description :

  • un transistor NPN 2N3904,
  • amplificateur en émetteur commun, polarisation par pont de base, résistance d’émetteur non découplée et réaction de collecteur découplée par un condensateur,
  • collecteur chargé par le transformateur Tr1 qui adapte l’impédance entre les 2 étages dans un rapport de 1:4.

2.1. Analyse en régime continu

Le schéma figure 2 ci-dessous, montre le circuit de simulation LTspice.

Figure 2: PA Driver - 1er Etage - Simulation LTspice en régime continu

Figure 2: PA Driver – 1er Etage – Simulation LTspice en régime continu

Ci-dessous les valeurs des tensions et courants obtenues :

V(vcc):          13.8            voltage
V(b1):           1.56176         voltage
V(c1):           12.9187         voltage
V(e1):           0.808187        voltage
Ic(Q1):          0.0366172       device_current
Ib(Q1):          0.000118607     device_current
Ie(Q1):          -0.0367358      device_current
I(L2):           -0.0400587      device_current
I(L1):           -0.0400587      device_current
I(R4):           0.0367358       device_current
I(R3):           0.0400587       device_current
I(R2):           0.0034415       device_current
I(R1):           0.00332289      device_current
I(V1):           -0.0400587      device_current

Download  Télécharger les fichiers de simulation LTspice.

Le schéma figure 3 ci-dessous, montre le circuit simplifié en régime continu.
Tous les condensateurs sont remplacés par des circuits ouverts.
Toutes les inductances sont remplacées par des courts-circuits.

Figure 3: PA Driver - 1e Etage en régime continu

Figure 3: PA Driver – 1e Etage en régime continu

Download  Télécharger les fichiers de l’éditeur de diagrammes DIA.

Le schéma figure 4 ci-dessous, montre le circuit de simulation qui trace la caractéristique de transfert en tension en régime continu ainsi que la variation du courant Ic.
La résistance de Thévenin équivalente au pont de base Rth = 3,3 *0,47/(3,3+0,47) = 0,410 KΩ.

Figure 4: PA Driver - 1er Etage - Caractéristique de transfert en tension

Figure 4: PA Driver – 1er Etage – Caractéristique de transfert en tension

La figure 5 ci-dessous, montre le graphe obtenu. On y observe les 3 zones de fonctionnement du transistor :

  • le Cutoff Ic= 0 ,
  • la zone linéaire ,
  • la zone de saturation Ic = constant.
Figure 5: PA Driver - 1er Etage - Caractéristique de transfert en tension

Figure 5: PA Driver – 1er Etage – Caractéristique de transfert en tension

Download  Télécharger les fichiers de simulation LTspice.

2.2. Analyse en régime variable

Le schéma figure 6 ci-dessous, montre le circuit simplifié en régime variable.
La tension continue TxVcc en régime variable se comporte comme un court-circuit.
La résistance de collecteur R3 est shuntée par son condensateur de découplage.
Le transformateur de sortie Tr1 est formé des 2 bobines torsadées, fortement couplées L1 = L2 en série dont le point milieu constitue la sortie.

Figure 6: PA Driver - 1e Etage en régime variable

Figure 6: PA Driver – 1e Etage en régime variable

Download  Télécharger les fichiers de l’éditeur de diagrammes DIA.

2.2.1. Résistance d’entrée

Le schéma figure 7 ci-dessous, montre le circuit de simulation LTspice.

Figure 7: PA Driver - 1er Etage - Mesure de la résistance d'entrée

Figure 7: PA Driver – 1er Etage – Mesure de la résistance d’entrée

Download  Télécharger les fichiers de simulation LTspice.

La figure 8 ci-dessous, montre le graphe obtenu. La résistance d’entrée Ri varie dans le sens inverse de la résistance de charge Rload. Plus Rload augmente plus Ri diminue. Ri = 50 Ohms @ 14MHz pour Rload = 500 Ohms.

Figure 8: PA Driver - 1er Etage - Graphe de la résistance d'entrée

Figure 8: PA Driver – 1er Etage – Graphe de la résistance d’entrée

2.2.2. Résistance de sortie

Le schéma figure 9 ci-dessous, montre le circuit de simulation LTspice. On utilise ici la méthode dite de l’ohmmètre. Le générateur V2 est court-circuité AC=0, Rload est enlevé et remplacé par le générateur de courant I1.

Figure 9: PA Driver - 1er Etage - Mesure de la résistance de sortie

Figure 9: PA Driver – 1er Etage – Mesure de la résistance de sortie

Download  Télécharger les fichiers de simulation LTspice.

La figure 10 ci-dessous, montre le graphe obtenu. La résistance de sortie Rs = 250 Ohms @ 14MHz.

Figure 10: PA Driver - 1er Etage - Graphe de la résistance de sortie

Figure 10: PA Driver – 1er Etage – Graphe de la résistance de sortie

2.2.3. Gain en tension

La mesure du gain est obtenue avec le même circuit que celui de la figure 7 ci-dessus. La figure 11 ci-dessous, montre le graphe obtenu. Le gain en tension Avt = 25 @ 14MHz.

Figure 11: PA Driver - 1er Etage - Graphe du gain en tension

Figure 11: PA Driver – 1er Etage – Graphe du gain en tension

Download  Télécharger les fichiers de simulation LTspice.

3. 2ème étage

Description :

  • un transistor NPN 2N2219A,
  • amplificateur en émetteur commun, polarisation par pont de base, résistance d’émetteur non découplée et réaction de collecteur en régime variable,
  • collecteur chargé par l’inductance L4.

3.1. Analyse en régime continu

Le schéma figure 12 ci-dessous montre le circuit de simulation LTspice.
Le courant circulant dans le pont de base R5, R6 de Q2, circule aussi dans R2. Il est très faible et ne modifie pratiquement pas le point de repos de Q1.

Figure 12: PA Driver - Simulation LTspice en régime continu

Figure 12: PA Driver – Simulation LTspice en régime continu

Ci-dessous les valeurs des tensions et courants obtenues :

V(vcc):          13.8            voltage
V(b1):           1.55347         voltage
V(c1):           12.8484         voltage
V(e1):           0.800238        voltage
V(b2):           1.04664         voltage
V(c2):           13.7998         voltage
V(e2):           0.282715        voltage
Ic(Q1):          0.036257        device_current
Ib(Q1):          0.000117437     device_current
Ie(Q1):          -0.0363744      device_current
Ic(Q2):          0.0781274       device_current
Ib(Q2):          0.000404641     device_current
Ie(Q2):          -0.0785327      device_current
I(L3):           0.0781274       device_current
I(L4):           0.0781274       device_current
I(L2):           -0.043256       device_current
I(L1):           -0.0396797      device_current
I(R8):           0.078532        device_current
I(R6):           0.00317164      device_current
I(R5):           -0.00357628     device_current
I(R4):           0.0363744       device_current
I(R3):           0.043256        device_current
I(R2):           0.0034227       device_current
I(R1):           0.00330526      device_current
I(V1):           -0.121383       device_current

Download  Télécharger les fichiers de simulation LTspice.

Le schéma figure 13 ci-dessous montre le circuit simplifié en régime continu.
Tous les condensateurs sont remplacés par des circuits ouverts.
Toutes les inductances sont remplacées par des courts-circuits.

Figure 13: PA Driver - En régime continu

Figure 13: PA Driver – En régime continu

Download  Télécharger les fichiers de l’éditeur de diagrammes DIA.

3.2. Analyse en régime variable

Le schéma figure 14 ci-dessous, montre le circuit simplifié en régime variable.
La tension continue TxVcc en régime variable se comporte comme un court-circuit.
La résistance de base R5 est shuntée par son condensateur de découplage.
La résistance R7 relie la base au collecteur.
L’inductance L3 de forte valeur se comporte en HF comme une résistance infinie.
Le transformateur de sortie Tr2 est formé des 2 bobines torsadées, fortement couplées L5 = L6 en série dont le point milieu constitue la sortie.

Figure 14: PA Driver - En régime variable

Figure 14: PA Driver – En régime variable

Download  Télécharger les fichiers de l’éditeur de diagrammes DIA.

3.2.1. Résistance d’entrée

Le schéma figure 15 ci-dessous, montre le circuit de simulation LTspice.

Figure 15: PA Driver - Mesure de la résistance d'entrée

Figure 15: PA Driver – Mesure de la résistance d’entrée

Download  Télécharger les fichiers de simulation LTspice.

La figure 16 ci-dessous, montre le graphe obtenu. La résistance d’entrée Ri = 185 Ohms @ 14MHz pour Rload = 10 Ohms.

Figure 16: PA Driver - Graphe de la résistance d'entrée

Figure 16: PA Driver – Graphe de la résistance d’entrée

3.2.2. Résistance de sortie

Le schéma figure 17 ci-dessous, montre le circuit de simulation LTspice. On utilise ici la méthode dite de l’ohmmètre. Le générateur V2 est court-circuité AC=0, Rload est enlevé et remplacé par le générateur de courant I1.

Figure 17: PA Driver - Mesure de la résistance de sortie

Figure 17: PA Driver – Mesure de la résistance de sortie

Download  Télécharger les fichiers de simulation LTspice.

La figure 18 ci-dessous, montre le graphe obtenu. La résistance de sortie Rs = 10 Ohms @ 14MHz.

Figure 18: PA Driver - Graphe de la résistance de sortie

Figure 18: PA Driver – Graphe de la résistance de sortie

3.2.3. Gain en tension

La mesure du gain est obtenue avec le même circuit que celui de la figure 15 ci-dessus. La figure 19 ci-dessous, montre le graphe obtenu. Le gain en tension Avt = 24dB @ 14MHz.

Figure 19: PA Driver - Graphe du gain en tension

Figure 19: PA Driver – Graphe du gain en tension

Download  Télécharger les fichiers de simulation LTspice.

3.2.4. Graphe des tensions

La figure 20 ci-dessous, montre le graphe des tensions obtenu avec avec une tension d’entrée sinusoïdale V2 = 100 mVp de fréquence F = 14 MHz. Au delà de 300 mVp à l’entrée le signal est déformé ou écrêté. Ce qui permet d’obtenir 6 Vp maximum sur 50 Ω en sortie.

Figure 20: PA Driver - Graphe des tensions

Figure 20: PA Driver – Graphe des tensions

Download  Télécharger les fichiers de simulation LTspice.

4. Réalisation

4.1. Circuit imprimé

La photo 1 ci-dessous, montre le circuit réalisé sur une plaque d’époxy cuivrée simple face de 48 x 32 mm selon le mode de fabrication décrit dans les articles précédents. Le circuit tracé est un quadrillage: 3 lignes de 8 mm + 2 lignes de 4 mm, 6 colonnes de 8 mm. Nous obtenons ainsi 3×6 =18 îlots de 8×8 mm. Les 2 lignes de 4 mm, placées de part et d’autre, servent de rail de masse. Une résistance provisoire de 10 Ω a été placée en sortie pour le test.

Photo 1: Circuit imprimé du PA Driver

Photo 1: Circuit imprimé du PA Driver

4.2. Composants

Les résistances et condensateurs sont des CMS ou SMD 0805 et 1206. Ces composants sont tous achetés sur Ebay qui offre dans ce domaine, un vaste choix (voir fournisseurs en marge) . Le mode de soudage est expliqué dans les articles précédents.

4.3. Refroidissement des transistors

Le transistor 2N2219A polarisé en classe A, chauffe. Il faut aider le composant à évacuer la chaleur sous peine de destruction. J’ utilise pour cela un dissipateur adapté au boîtier du transistor.

4.4. Bobinages

La fabrication des bobinages est très simple. J’ai utilisé des tores FT37-43 que j’avais en stock, achetés chez kits and parts.

Transformateurs Tr1 et Tr2

Pour réaliser Tr1, j’ai préparé 2 morceaux identiques de 16 cm de fil de cuivre émaillé de 0,40 mm. J’ai noué une extrémité de ces 2 fils réunis à une attache trombone. J’ai fait de même à l’autre extrémité. La première attache est bloquée dans un étau ou serre-joint. La torsion du fil est réalisée en prenant dans la main l’autre attache et en tendant le fil. Il faut 3 à 4 torsions par cm. J’ai donc fait pour cette longueur, 50  torsions. Une excellente méthode est expliquée ici. Bobiner 10 tours en les répartissant uniformément sur le tore FT37-43. Important! Le transformateur est formé de 2 bobines en série. Il faut donc souder la fin d’une bobine à l’entrée de l’autre. Ce point est le point milieu du transformateur. Tr2 est identique à Tr1.

Bobine L4

Couper 15 cm de fil de cuivre émaillé de 0,40 mm. Bobiner 10 tours en les répartissant uniformément sur le tore FT37-43.

4.5. Tension d’alimentation

La tension d’alimentation est la ligne TxVcc. La commutation Rx/Tx fera l’objet d’un prochain article. Pour le test, l’alimentation est connectée provisoirement à Vcc = 13,8 V.

5. Test

5.1. Mesure des tensions continues smoke test

Vérifier les tensions base, collecteur et émetteur. Les valeurs sont conformes à la simulation.

5.2. Dispositif

Le circuit est relié directement au condensateur de sortie du mélangeur de l’émetteur dont la description fera l’objet d’un prochain article.

5.3. Résultat

Signal d’entrée
Avec l’oscilloscope, échelle Y=0,1 V/cm, sonde atténuatrice 1:1, échelle X=0.5 us/cm, loupe x5, la photo 2 ci-dessous, montre le signal en entrée Vin ≈ 560 mV pp.
La fréquence F mesurée avec le fréquencemètre ≈ 14,100 MHz.

Photo 2: Signal d'entrée du PA Driver

Photo 2: Signal d’entrée du PA Driver

Signal de sortie
Avec l’oscilloscope, échelle Y=1 V/cm, sonde atténuatrice 1:1, échelle X=0.5 us/cm, loupe x5, la photo 3 ci-dessous, montre le signal de sortie Vout ≈ 3,3 V pp.
La fréquence F mesurée avec le fréquencemètre ≈ 14,100 MHz.

Photo 3: Signal de sortie du PA Driver

Photo 3: Signal de sortie du PA Driver

Le gain en tension Avt = Vout/Vin = 15,4 dB @ 14,100MHz. A comparer avec les 24 dB obtenus en simulation.

Références
LES MONTAGES AMPLIFICATEURS FONDAMENTAUX A TRANSISTORS BIPOLAIRES – Philippe Roux – IUT de Bordeaux

Index des articles de la catégorie Transceiver