Transceiver CW 20 m – Amplificateur post-mélangeur
Avec cet article commence la réalisation de la chaîne de traitement du signal de fréquence intermédiaire obtenu à la sortie du mélangeur. Elle doit éliminer les harmoniques, amplifier le signal sur une bande étroite fixée généralement à 500Hz pour le mode de transmission CW.
La chaîne comprend:
- l’amplificateur post-mélangeur,
- le filtre à quartz,
- l’amplificateur de fréquence intermédiaire.
L’amplificateur post-mélangeur, de configuration base commune, fournit une charge constante de 50Ω à la sortie du mélangeur. Il isole fortement des variations d’impédance, le mélangeur, du filtre à quartz.
Il est suivi d’un réseau d’adaptation d’impédance pour adapter la sortie de l’amplificateur à l’entrée du filtre à quartz. Je vais étudier ces 2 parties séparément.
Caractéristiques de la configuration base commune
Parallèlement au développement du transceiver, je continue mon exploration de LTSpice, génial outil de simulation. La figure 1, ci-dessous, montre le transistor en configuration base commune.
En l’observant, on constate que le signal d’entrée porte la totalité du courant émetteur du transistor. Or nous savons que:
- le courant émetteur est le plus grand des 3 courants du transistor,
- l’intensité du courant collecteur est ≈ intensité du courant émetteur,
- le courant de base étant le plus petit.
On en déduit sans peine qu’il atténue le courant et donc que le gain en courant est légèrement < 1.
Qu’en est-il de la tension? La simulation en mode DC analysis nous apporte la réponse. En faisant varier la tension d’entrée de 0,4V à 1,4V on constate que la tension de sortie croît d’une valeur presque nulle (cutoff) pour devenir plate à 15V environ. Avec les résistances utilisées 50Ω en entrée et 1k5Ω en sortie, la partie linéaire se situe entre 800mV et 1,2V en entrée qui se traduit en sortie par une variation de tension sur la charge de 3,8V à 14,4V. Logique, puisque la tension ne peut croître avant que la jonction base-émetteur atteigne 0,7V et ne croît plus à saturation.
Le rapport ΔVsortie/ΔVentrée représente le gain en tension
Av = 10,6V/400mV = 26,5 ou Adb = 20 log 26,5 = 28.5.
Conclusion: le transistor en base commune transfère presque intégralement le courant de l’entrée sur la sortie, d’une charge faible sur une charge beaucoup plus grande.
Amplificateur
J’ai repris le schéma du 2n2/30 de Jim Kortge, K8IQY, que j’ai adapté à mon impédance de sortie. La particularité du circuit est que la tension de base est obtenue en plaçant 2 diodes en série. Au point de repos Vb=1,3V Vc=13,2V Ve=520mV Ic=11mA.
Télécharger les fichiers Kicad du schéma .
Simulation dans le domaine du temps
Pour ce faire, appliquons à l’entrée un signal sinusoïdal F=10,240MHz et Vpeak=30mV. La figure 3 ci-dessous montre le signal à l’entrée, le signal sur l’émetteur, le signal sur le collecteur et enfin le signal à la sortie.
Télécharger les fichiers de simulation.
Simulation: paramètres S
L’analyse AC, figure 4, avec la directive .net I(R2) V2 permet de visualiser les paramètres S. Le gain en puissance attendu quand l’impédance est adaptée est exprimé par le paramètre S21 = 8dB.
Télécharger les fichiers de simulation.
Adaptation d’impédance
A la sortie de l’amplificateur un réseau LC adapte l’impédance de sortie de 1,3KΩ de l’amplificateur au 75Ω de l’impédance d’entrée du filtre à quartz. Pour connaître la valeur de l’impédance d’entrée du filtre j’ai anticipé son étude qui sera décrite dans l’article suivant.
Calcul de la puissance maximum reçue par la charge
La charge complexe
est branchée aux bornes de la source de tension E d’impédance interne
. Il vient alors le courant:

et 
La puissance utile reçue par 
On dit qu’il y a adaptation lorsque l’impédance de charge est conjuguée de l’impédance de source

Dans ce cas
et 
On en déduit la puissance maximum reçue par 
Calcul du réseau LC
Le principe de l’adaptation d’impédance est expliqué dans l’excellent document de F6CSX, joël Redoutey. Pour le détail des formules reportez vous au document cité en références en fin d’article.
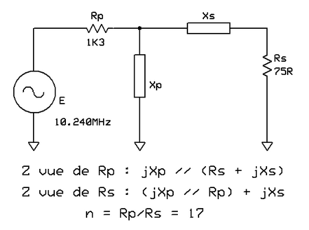
La figure 6 ci-dessous représente le réseau d’adaptation d’impédance selon le modèle décrit par F6CSX.
Données et hypothèses
Rp = résistance de sortie de l’amplificateur base commune,
Rs = résistance d’entrée de l’étage suivant,
Rp > Rs,
Rp = nRs et n > 1,
les condensateurs de liaison ont une impédance telle qu’à la fréquence de fonctionnement, leur impédance est négligeable, Rp et Rs sont des résistances pures.
Impédance vue de Rp
Aprés développement,

Rp est une résistance pure
partie imaginaire = 0

(1) 
Impédance vue de Rs
Aprés développement,

Rs est une résistance pure
partie imaginaire = 0

(2) 
(3) 
Calcul de Xp
De (2) il vient,
(4) 
(5)
avec n = Rp/Rs et n > 1
Calcul de Xs
Em multipliant (1) par (3) il vient,
(6) 
(7)
avec n = Rp/Rs et n > 1
Facteur de qualité
Branche //: Qp = Rp/Xp (capacitive)
Branche série: Qs = Xs/Rs (inductive)
De (6) il vient,
(Xp et Xs sont de signes opposés)


De (5) et (7) il vient,
(8)
avec n = Rp/Rs et n > 1
Application
Rp = 1300Ω
Rs = 75Ω
n = 1300/75 = 17
Qs = Qp = 4
Xp = Rp/Qp = 1300/4 = 325Ω d’où condensateur Cp = 47pF
Xs = Qs.Rs = 4*75 = 300Ω d’où inductance Ls = 4,7uH
Dans ce cas, le réseau LC est un filtre passe-bas.
Simulation
Pour l’adaptateur d’impédance, j’ai choisi de créer un modèle de composant associé à un SUBCIRCUIT muni de paramètres. Cette méthode présente plusieurs avantages:
- test du dispositif indépendamment du circuit dans lequel il sera monté,
- réutilisation dans d’autres circuits,
- duplication en modifiant les paramètres du SUBCIRCUIT.
Pour la méthode de création du composant et du SUBCIRCUIT on se reportera à l’article Transceiver CW 20 m – Mélangeur – Double Balanced Mixer
Ci-dessous le fichier du SUBCIRCUIT. La ligne .SUBCKT comprend 2 paramètres :
LIMN_Cp = valeur du condendateur,
LIMN_Ls = valeur de l’inductance.
Il suffit de modifier ces valeurs en appliquant les formules indiquées en commentaire, pour obtenir un autre adaptateur.
* C:\Users\Bernard\Documents\TCW20\tcw20PostMixAmp\ltc\LIMN1k3_75_10M24.asc
* LIMN1k3_75_10M24 L Impedance Matching Network SUBCIRCUIT
* CREATED ON 15/08/2012 AT 12:15
* Z Output = 1k3 -> 75
* n=1300/75=17
* Q=+-sqrt(17-1)=+-4
* Xc=1300/4=325 à F=10.24M C =48p
* Xl=75*4=300 F=10.24M L =4.7u
* Put a Cx//Cp for accurate value
* CONNECTIONS: Input
* | Input GND
* | | Output
* | | |
* | | |
* | | |
.SUBCKT LIMN1k3_75_10M24 In In_gnd Out PARAMS: LIMN_Cp=47p LIMN_Ls=4.7µ
L1 In Out {LIMN_Ls}
C2 In In_gnd {LIMN_Cp}
.ends
Ce fichier LIMN1k3_75_10M24.lib est enregistré dans le répertoire ../LTSPICEIV/lib/sub .
L’analyse AC, figure 7, avec la directive .net I(R2) V2 permet de visualiser les paramètres S. Les courbes S11 et S22 se superposent. S21 montre une atténuation nulle vers 10,24MHz.
Télécharger les fichiers de simulation.
Réalisation
Circuit imprimé
Le circuit est réalisé sur une plaque d’époxy cuivrée simple face de 4,2 x 2,1 cm, photo 1 ci-dessous. Pour tracer le circuit j’ai appliqué la même méthode que celle utilisée pour le mélangeur, simple et rapide. Après avoir nettoyé parfaitement la face cuivrée je l’ai entièrement enduite au gros feutre noir permanent. Ensuite muni d’un réglet et d’une pointe à tracer j’ai tracé le quadrillage 3 lignes de 7mm x 6 colonnes de 7mm directement sur la face ainsi enduite. La pointe à tracer enlève l’encre. J’obtiens un tracé fin et parfait. Le circuit est plongé dans un petit pot de yaourt contenant un dé à coudre d’eau tiède dans lequel sont dilués quelques grains de perchlorure. Le circuit est gravé en 15mn. Après l’avoir nettoyé parfaitement, pour empêcher l’oxydation du cuivre, le circuit est étamé immédiatement avec de la soudure et un fer très chaud.
Composants
De nombreux composants CMS sont disponibles maintenant sur Ebay. J’ai donc utilisé pour ce circuit une majorité de composants CMS 1206 et 0805 que la finesse du tracé me permet de placer entre chaque îlot. Le circuit s’en trouve très allégé. L’étamage du cuivre permet de souder facilement ces petits composants. J’utilise pour les souder, un fer Weller WSP80 muni de la panne standard de 2mm.
Test
Mesure des tensions continues
Vcc = 13,8V
Vb = 1,28V
Ve = 0,55V
Vc = 13,06V
Ces valeurs sont conformes à la simulation.
Dispositif
Le circuit est relié à la sortie du mélangeur par un condensateur céramique de 100nF.
Générateur HF maison fournissant 300mV à F = 14MHz connecté à l’entrée BNC (antenne).
Atténuateur en pi -10dB placé entre l’entrée BNC et l’entrée 50Ω du filtre RF.
Résistance de charge connectée en sortie de l’amplificateur = 75 ohms.
Fréquence de mesure F = 14MHz.
Résultat
Un mesure rapide de la tension de sortie avec la sonde HF construite sur le modèle N5ESE’s Ballpoint RF Probe donne:
Vout = 222mV rms.
Avec l’oscilloscope, échelle Y=20mV/cm, sonde atténuatrice x10, échelle X=0,5 us/cm loupe x5, la photo 2 ci-dessous, montre le signal obtenu en sortie Vout ≈ 270mV rms et F ≈ 10MHz. On remarque que le signal est chargé d’harmoniques.
Références
SPICE simulation using LTspiceIV Part1 & Part2 – DG8GB, Gunthard Kraus
Radiocommunications – Adaptation d’impédance – F6CSX Joël Redoutey – 2009
The 2N2/30 Designed by: Jim Kortge, K8IQY
Index des articles de la catégorie Transceiver
- Transceiver CW 20 m
- Transceiver CW 20 m – Amplificateur audio
- Transceiver CW 20 m – Amplificateur audio V2
- Transceiver CW 20 m – Amplificateur de puissance RF power amplifier
- Transceiver CW 20 m – Amplificateur IF CASCODE
- Transceiver CW 20 m – Amplificateur post-mélangeur
- Transceiver CW 20 m – Atténuateur en pi
- Transceiver CW 20 m – BFO
- Transceiver CW 20 m – Commutation Rx/Tx Switching
- Transceiver CW 20 m – Détecteur de produit
- Transceiver CW 20 m – Emetteur
- Transceiver CW 20 m – Filtre à quartz – Crystal ladder filter
- Transceiver CW 20 m – Filtre de sortie du PA
- Transceiver CW 20 m – Mélangeur – Double Balanced Mixer
- Transceiver CW 20 m – Module RF Version 2
- Transceiver CW 20 m – Oscillateur à réseau déphaseur RC phase shift oscillator
- Transceiver CW 20 m – Oscillateur et Mélangeur de l’émetteur
- Transceiver CW 20 m – PA Driver
- Transceiver CW 20 m – Récepteur – Amplificateur RF
- Transceiver CW 20 m – Récepteur – Filtre passe bande 14 MHz
- Transceiver CW 20 m – VFO – Partie 1
- Transceiver CW 20 m – VFO – Partie 2
- Transceiver CW 20 m – VFO – Partie 3
- Transceiver CW 20 m – VFO – Partie 4
- Transceiver CW 20 m – VFO V3
- Transceiver CW 20 m – VFO Version 2 – Etalement de la bande









[...] CW 20 m – Mélangeur – Double Balanced Mixer Transceiver CW 20 m – Atténuateur en pi Transceiver CW 20 m – Amplificateur post-mélangeur Transceiver CW 20 m – Filtre à quartz – Crystal ladder filter Transceiver CW 20 m – BFO [...]